SKKT 56/08D數據表,功能,應用程序和規格
SKKT 56/08D是緊湊型Semipack 1 Case中的雙thyristor功率模塊。該交流涵蓋了評分,簡單的公共大動物電路,以及為什麼堅固的陶瓷基座有助於冷卻和可靠性,典型用...
Sep 30
瀏覽量: 3014
VUI72-16NOXT
功率模塊是帶有內置制動IGBT和NTC傳感器的三相整流器。它促進了較小系統的設計,提高冷卻效率並確保更安全的控制。在本文中,您將看到其評分,普通電路的穿越,主要功能,跨驅動器和電源系統的常見用途等等。
VUI72-16NOXT
IXYS
BRIDGE RECT 3P 1.6KV 75A V1A-PAK
In Stock: 5200 pcs

這
VUI72-16NOXT
是一個具有集成製動IGBT的三相整流器橋模塊,旨在可靠有效的電機控制和驅動逆變器應用。通過將整流器和製動斬波器組合在單個緊湊型包裝中,它簡化了系統設計並減少了空間要求。該模塊使用DCB陶瓷底板建造,可確保出色的熱性能,而隔離的背面則可以直接進行散熱器安裝而無需進行電氣問題。
VUI72-16NOXT
IXYS
BRIDGE RECT 3P 1.6KV 75A V1A-PAK
In Stock: 5200 pcs
VUI72-16NOXT的評級高達1,600 v重複的反向電壓和75平均校準電流,為工業電力系統提供了強勁的性能。它還具有低向前電壓下降,低洩漏電流和用於精確熱監測的集成NTC傳感器。高達600 A的電湧能力,並在–40°C至+150°C之內運行,可確保在苛刻的條件下耐用性,使其非常適合AC驅動器,逆變器和電動機制動系統。
如果您有興趣購買VUI72-16NOXT,請隨時與我們聯繫以獲取價格和可用性。
VUI72-16NOXT
由 ixys Corporation該公司在2018年完成了7.億美元的收購後成為Littelfuse,Inc。的一部分。 Ixys成立於1983年,成立於加利福尼亞州,是IGBTS,MOSFET,DIODES,二極管和集成模塊的高功率半導體領導者的領導者,甚至通過Zilog in 2009 in 2009,Littection。伊利諾伊州是電路保護,功率半導體和控制IC的全球提供商,將IXYS的投資組合納入其功率半導體部門。結果,VUI72-16NOXT在Littelfuse品牌下銷售,利用了數十年的Ixys工業電力電子技術專業知識,並具有Littelfuse的全球影響力,並專注於可靠,高性能的解決方案。
VUI72-16NOXT
IXYS
BRIDGE RECT 3P 1.6KV 75A V1A-PAK
In Stock: 5200 pcs
VUI30-12NO1
VUI30-12NO1
IXYS
IGBT Modules
In Stock: 2704 pcs
VUI30-16NO1
VUI30-16NO1
IXYS
IGBT Modules
In Stock: 2886 pcs
VUI70-16N01
VUI70-16N01
IXYS
IGBT Modules
In Stock: 2895 pcs

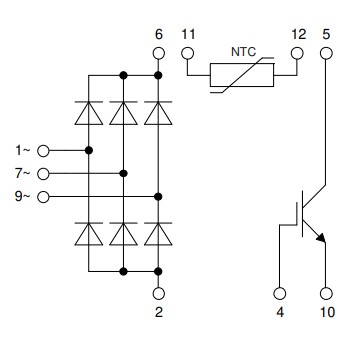
該電路圖表示一個電源模塊,該模塊將一個包裝中的整流,制動和溫度監測整合。在 左邊, 一個 三相整流器橋 轉換 銷1、7和9的交流輸入 進入跨直流輸出 引腳6和2,提供DC鏈接。在 正確的,具有反行二極管的IGBT,連接 引腳4、5、10和12,當DC總線電壓上升時,充當制動斬波器,將過量再生能量耗散到外部電阻中。一個 引腳11和12之間的內部NTC溫度傳感器 提供連續的熱反饋,從而可以防止過熱。
• 帶有製動IGBT +二極管的三相整流器 - 結合整流器和製動功能,確保有效的功率轉換和集成的電動機制動。
• DCB陶瓷底板結構 - 提高熱性能並增強功率循環能力,以實現可靠的長期操作。
• 低向前電壓下降和洩漏 - 以最小的洩漏電流來減少傳導損失,以提高能源效率。
• 集成的NTC溫度傳感器 - 內部監視模塊溫度,改善負載下的系統安全性和可靠性。
• 緊湊型V1A-PAK包裝設計 - 標準的焊釘安裝,高度約為17毫米,以方便,緊湊的集成。
• 高電評級性能 - 支持1,600 V整流器,75 A連續電流和600個電湧能力。
• 優化的熱電阻 - 接口到案例rth≈1.1k/w,外殼對加熱≈0.3k/w。
• 電隔離背面 - 啟用直接的散熱器安裝,而無需為安全性提供額外的絕緣層。
• 符合ROHS的標準集成 - 符合環境標準,同時提供行業標準的輪廓和易於系統的兼容性。
• 驅動逆變器和電動機驅動系統 - 充當前端整流器和製動單元,有效地將AC轉換為直流。
• 工業自動化設備 - 具有可靠的校準和製動的Powers Servo,感應電動機,機器人技術,輸送機和工藝機械。
• 可再生和混合能源系統 - 管理太陽能,風或混合動力設置中過量能量的轉換和製動/傾倒。
• DC鏈接條件和電源 - 用穩定的直流舞台操作支持斬波器電路並受控制動。
• HVAC和電梯控制系統 - 在電梯和HVAC單元中提供有效的電動機控制,制動和平滑驅動器調節。
• 起重機和提升設備 - 確保在繁重起重和降低操作期間安全制動和控制能量處理。
• 電動汽車充電基礎設施 - 將AC有效地轉換為DC,並支持再生製動過程中受控的能量反饋。
• UPS和備份電源系統 - 保持糾正和製動以穩定直流鏈路並保護敏感設備。
• 牽引力和鐵路驅動器 - 為火車,電車和電動機車提供強大的電源轉換和製動。
• 泵和壓縮機 - 在工業流體處理和空氣壓縮應用中實現精確的運動控制和製動。
|
象徵 |
定義 |
狀況 |
最小。 |
典型。 |
最大限度。 |
單元 |
|
vRSM |
最大限度。非重複反向
阻塞電壓 |
TVJ = 25°C |
- |
- |
1700 |
v |
|
vRRM |
最大限度。重複反向阻塞
電壓 |
TVJ = 25°C |
- |
- |
1600 |
v |
|
我r |
反向電流 |
VR = 1600 V,TVJ = 25°C |
- |
- |
40 |
µA |
|
VR = 1600 V,TVJ = 150°C |
- |
- |
1.5 |
馬 |
||
|
vf |
向前電壓下降 |
如果= 25 a,則tvj = 25°C |
- |
- |
1.10 |
v |
|
如果= 75 A,則TVJ = 25°C |
- |
- |
1.38 |
v |
||
|
如果= 25 a,則tvj = 125°C |
- |
- |
1.01 |
v |
||
|
如果= 75 A,則TVJ = 125°C |
- |
- |
1.37 |
v |
||
|
我dav |
橋輸出電流 |
TC = 110°C,TVJ = 150°C,
矩形d = 1/3 |
- |
- |
75 |
一個 |
|
vF0 |
閾值電壓(用於電力損失
僅計算) |
TVJ = 150°C |
- |
- |
0.79 |
v |
|
rf |
阻力坡度(用於電力損失
僅計算) |
TVJ = 150°C |
- |
- |
7.7 |
MΩ |
|
rTHJC |
熱電阻連接到
案件 |
- |
- |
- |
1.1 |
k/w |
|
rthch |
熱電阻情況
散熱器 |
- |
- |
0.3 |
- |
k/w |
|
ptot |
總功率耗散 |
TC = 25°C |
- |
- |
110 |
w |
|
我FSM |
最大限度。向前激增電流 |
t = 10 ms; (50 Hz)正弦,TVJ =
45°C |
- |
- |
600 |
一個 |
|
t = 8.3 ms; (60 Hz)正弦,VR = 0
v |
- |
- |
650 |
一個 |
||
|
t = 10 ms; (50 Hz)正弦, TVJ = 150°C |
- |
- |
510 |
一個 |
||
|
t = 8.3 ms; (60 Hz)正弦,VR = 0
v |
- |
- |
550 |
一個 |
||
|
i²t |
融合的價值 |
t = 10 ms; (50 Hz)正弦,TVJ =
45°C |
- |
- |
1.80 |
ka²s |
|
t = 8.3 ms; (60 Hz)正弦,VR = 0
v |
- |
- |
1.76 |
ka²s |
||
|
t = 10 ms; (50 Hz)正弦, TVJ = 150°C |
- |
- |
1.30 |
ka²s |
||
|
t = 8.3 ms; (60 Hz)正弦,VR = 0
v |
- |
- |
1.26 |
ka²s |
||
|
cj |
連接電容 |
VR = 400 V; F = 1 MHz,TVJ = 25°C |
- |
19 |
- |
pf |
優勢
•高水平的整合:結合了整流器橋和製動IGBT +二極管,減少組件計數並簡化設計。
• 出色的熱性能:DCB陶瓷底板可改善熱傳導並增強功率循環可靠性。
•低傳導損失:非常低的正向電壓下降和最小的洩漏電流減少了整體系統能量損失。
• 集成的NTC溫度傳感器:提供內部溫度監測,以增強保護和熱管理。
•電隔離背面:啟用安全的暖氣安裝,而無需額外的絕緣層。
• 符合ROHS標准設計:符合環境標準,同時提供與行業標準的大綱和足蹟的兼容性。
缺點
•熱約束:連接到案例(≈1.1k/w)和案例對加熱(≈0.3k/w)電阻限制了非常高功率的設計。
• 電湧能力有限:僅在短時間內支撐600個浪湧,在重型瞬態載荷下強調模塊。
•設計靈活性權衡:集成的整流器和製動器防止獨立縮放或替換子模型。
•包約束:固定銷佈局,〜17毫米模塊的高度限制了超緊湊或低調應用。

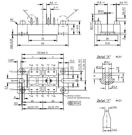
此軟件包大綱提供了物理尺寸和安裝細節,以使其正確集成到系統中。該模塊具有緊湊的矩形足跡,大約測量 長度為63毫米,寬31.6毫米, 總高度約為15.8毫米,使其適用於密集的組件。明確定義了引腳間距,佈局和厚度,以確保正確的焊接和電氣連接,而諸如 4.6毫米銷高度耐受性和0.5毫米 終端厚度可靠地處理。安裝孔精確地位於52毫米間距,並帶有倒櫃細節,確保對散熱器或機箱的安全附著,同時保持均勻的壓力以保護DCB基板。其他細節,例如 最大0.25毫米平整度 和背面隔離,支持適當的熱接觸和安全絕緣。
• 過熱:可以降低可靠性;通過有效的散熱器,優質的熱接口材料和基於NTC的監測來緩解。
• 瞬態電流:可能會超過600個激增的等級;使用Inrush限制器,軟啟動電路,呼吸器或防護保險絲。
• 有限的採購:由Littelfuse明顯過時;固定股票,計劃替代和驗證具有類似規格的交叉引用。
• 門驅動或切換壓力:不正確的驅動會損壞IGBT;應用正確的門電阻,使用冷靜劑,並尊重駕駛員電壓等級。
•安裝問題:過度或錯位會破裂DCB;遵循扭矩,對齊和安裝最佳實踐。
• 電隔離降解:背面隔離可能會在壓力下降解;確保適當的蠕變,清除率,並避免污染物或損壞。
• 高DV/DT應力:快速切換可以誘導EMI和壓力絕緣;減輕責備,過濾器和優化佈局。
• 水分和環境暴露:濕度或灰塵可能會降低絕緣抗性;在受控的外殼中應用共形塗層或使用。
• 衰老和動力循環疲勞:重複的循環壓力焊接接頭和底物;在終生評級內設計,並替代安全保證金。
• 有限的可伸縮性:整合整流和製動會降低靈活性;如果需要獨立縮放,請考慮模塊化替代方案。
|
範圍 |
|
VUI30-12N1 |
|
功能 |
三相整流器 +制動器
IGBT&二極管(橋樑 +制動單元) |
三相整流器模塊(用於
PFC /整流器使用) |
|
峰值反向電壓(整流器) |
1,600 v |
1,200 v |
|
平均矯正電流 |
75 a |
〜30 a |
|
剎車IGBT /斬波器 |
是的,集成(1200 V IGBT) |
不包括(沒有集成
制動) |
|
正向電壓下降(整流器) |
〜1.38 V典型 |
未明確指定;降低
當前意味著較低的損失 |
|
浪湧 /峰值電流能力 |
600 A(非重複) |
較低,與30 A級一致 |
|
操作 /連接溫度 |
–40至+150°C |
–40至+125 / +150°C |
|
熱電阻
(接口到案例) |
〜1.1 k/w |
特定於數據表的,可能較低
由於尺寸較小 |
|
包裝 /安裝 |
V1a-pak,焊接碼頭,
孤立的DCB基礎 |
帶有DCB的模塊,焊接安裝,
孤立的基礎 |
|
典型的應用 |
驅動器 /逆變器需要
制動,運動控制,再生能量處理 |
三相矯正,pfc
階段,DC鏈接供應 |
VUI72-16NOXT
是電動機驅動器和直流鏈路的一個緊湊,可靠的選擇,這要歸功於其多合一設計和固體熱構建。儘管如此,請注意它現在已經過時了,因此請計劃採購併在需要時考慮列出的替代方案。遵循安裝,冷卻和保護技巧,以確保其安全有效。使用規格和比較表與您的功率和空間需求相匹配。
VUI72-16NOXT
IXYS
BRIDGE RECT 3P 1.6KV 75A V1A-PAK
In Stock: 5200 pcs
它旨在將三相AC轉換為DC,同時提供集成製動以進行安全有效的電機控制。
制動IGBT消散了多餘的能量,防止了DC總線過電壓並在再生製動過程中保護電動機。
它可以改善傳熱,減少熱應力,並在重型騎自行車下延長模塊的壽命。
是的,其電隔離的背面允許安全的直接散熱器安裝,而無需額外的絕緣層。
它廣泛應用於自動化,可再生能源,HVAC,運輸系統和重型工業驅動器。
Apr 15
瀏覽量: 183
Apr 15
瀏覽量: 157
Apr 14
瀏覽量: 212
Apr 14
瀏覽量: 369
Apr 14
瀏覽量: 267
Apr 14
瀏覽量: 204